Kategorie
Marke
Wird geladen
Monatsneuheit
Wird geladen
Alles löschen

Positionen für Referenznummer 15 450380 00

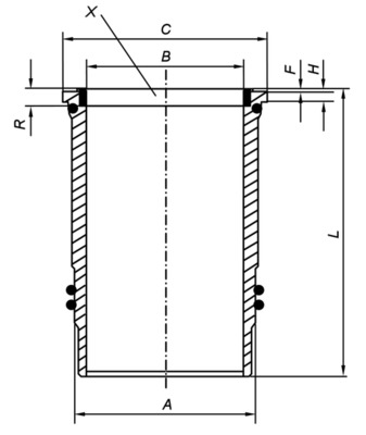
Basisdaten

Code:001WN2101
Marke: MAHLE
Bezeichnung:Zylinderlaufbuchse
Fahrzeug:MERCEDES
Gewicht  :0,00 kg

Basisdaten

Code:005WN0901
Marke: MAHLE
Bezeichnung:Zylinderlaufbuchse
Fahrzeug:MERCEDES
Gewicht  :0,00 kg