Category
Brand
Loading
New item
Loading
Clear filters

Items for cross-reference number 508882

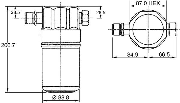
General information

Code:AD35000S
Brand: MAHLE
Title:Dryer, air conditioning
Car:AUDI
Weight  :0,64 kg

General information

Code:AD36000S
Brand: MAHLE
Title:Dryer, air conditioning
Car:ŠKODA-VW
Weight  :0,60 kg